V prejšnjem blogu sem naštel različne tehnike elektronske mikroskopije, s katerimi se ukvarjamo na Institutu “Jožef Stefan”. Za lažjo predstavo o kako majhnem svetu sploh govorim, sem pripravil serijo slik meteorita Jezersko vse od normalnih “človeških” meril … … pa vse do sveta atomov.
1 x povečava meteorita Jezersko (levo), kopija meteorita v rokah najditelja – original je v vitrini (desno), Foto: Miha Jeršek
10 x povečava – optični mikroskop, presevna, navzkrižno polarizirana svetloba
100 x povečava – optični mikroskop, presevna, navzkrižno polarizirana svetloba
100 x povečava – vrstični elektronski mikroskop, tehnika povratno sipanih elektronov
1200 x povečava, vrstični elektronski mikroskop, tehnika povratno sipanih elektronov
2400 x povečava, vrstični elektronski mikroskop, tehnika fokusiranega ionskega curka s tehniko zajema sekundarnih elektronov
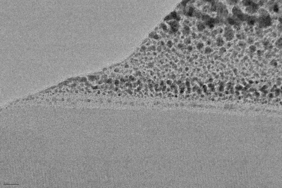
10000 x povečava, presevna elektronska mikroskopija, Foto: Sašo Šturm
750000 x povečava, presevna elektronska mikroskopija, Foto: Sašo Šturm
2000000 x povečava, visoko ločljiva presevna elektronska mikroskopija, Foto: Sašo Šturm
15000000 x povečava, visoko ločljiva presevna elektronska mikroskopija, Foto: Sašo Šturm
Vendar: “Zakaj pa sploh dobro, da vzorce proučujemo na atomskem nivoju?” V resnici si moderne znanosti o materialih ni mogoče več predstavljati brez preiskav vzorcev na atomskem nivoju. Modernih pametnih elektronskih naprav, ki jih jemljemo že skorajda za samoumevne prav tako ne bi bilo. V nasprotju s prepričanjem se elektronske mikroskope v prvi vrsti ne uporabljajo zgolj za fotografiranje vzorcev.
Filmček potovanja v svet na ravni atomov
Elektronski mikroskopi so predvsem zelo močni analitični inštrumenti, ki nam omogočajo celo paleto različnih analiz vzorca. Npr. pogosto želimo ugotoviti zakaj se določen material pod določenimi obremenitvami zlomi, leze ali utruja. Razlog za omenjene poškodbe materiala pogosto tiči v zelo majhnih razpokah, ki se pojavljajo šele na atomskem nivoju. Z elektronskimi mikroskopi lahko te razpoke oz. t.i. dislokacije preučimo in napovemo kdaj in pod kakšnimi pogoji (pri kakšnih napetostih, strižnih silah) bo prišlo do porušitve nekega določen materiala. V primeru da opazujemo material, ki je že porušen, pa lahko ugotovimo razloge za njegovo porušitev.
Dislokacije v SrTiO3 (Foto: Sašo Šturm)
Druga aplikacija je ugotavljanje sestave vzorca na atomskem nivoju. Tako lahko npr. točno ugotovimo na katero mesto v kristalni rešetki se je vgradil nek nov element, ki je bil določenemu mineralu dodan z dopiranjem z namenom izboljšanja njegovih lastnosti. To pa nam da lahko razloži vzroke za njegove fizikalne oz. kemijske lastnosti. V mikroskope je mogoče vstavljati tudi vzorce pri temperaturah med minus 196 °C in + nekaj 100 °C ter na ta način opazovati njihove lastnosti pri zelo nizkih oz. zelo visokih temperaturah.
Med najnovejše tehnike elektronske mikroskopije pa sodi presevna elektronska mikroskopija tekočih vzorcev. V tem primeru je mogoče v mikroskop po mikroskopsko majhnih kanalih v poseben reaktor dovesti različne raztopine ali reagente, jih v mikroskopu zmešati in ob tem neposredno opazovati potek kemijskih reakcij: npr. rast kristalov. Ta tehnika je tako zelo velik korak naprej, zato ker predstavlja prehod iz klasičnega končnega opazovanja produktov kemijskih reakcij, v neposredno in situ opazovanje, in to v realnem času.
Naštel sem le nekaj primerov aplikacij elektronske mikroskopije in t.i. nanotehnologije. V resnici jih je neskončno mnogo in ves čas se izumlja nove.
Bojan Ambrožič
